作業記録
仕掛かり中
東急車輌製造(株) 1970年入社 当時の製品カタログ
アルゼンチン国鉄ウルキサ線製作担当 (設計担当=近畿車両) 1973年
国鉄 電気軌道総合試験車(設計担当) 921−11号 ドクターイェロー;
1974年10月 30年で退役
箱根登山鉄道1000 ;1981年 ブルーリボン賞

ナイアガラ市電 NFTA ; 1983年
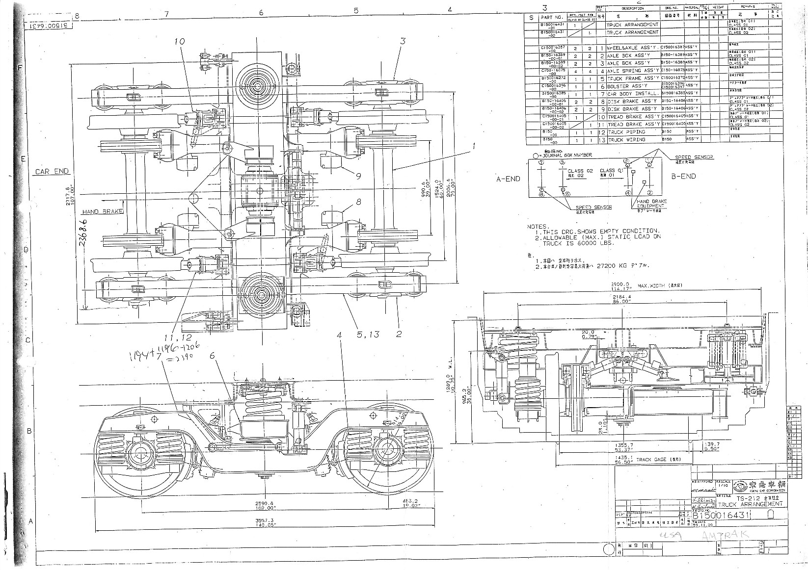
ブラジル国鉄22m;1980年頃 AMTRAK客車台車;1985年独仏日コンペ台車

クリーブランド空港線GCRTA 東急最初のCAD図 敢えて難しい図を描いた
阪堺電軌700 ; 1987年

D51−498 ;1989年 ATS改造
京王3000/7000 (メンテナンス担当) 京浜1500(同左)


(株)トーゴ 1989年入社 当時の製品カタログ
長崎屋苫小牧; スカイシップ/豆汽車他お手伝い 1989年
大阪花博; いんなあとりっぷ館メビウスライド/JTどるあーがの塔
/Wレーシングコースターお手伝い 1989/90年
スプラッシュマウンテン ;1992年10月
現場工事


鎌倉シネマワールド; テレコンバット/メリーゴーラウンド輸入機設置 既に閉鎖
/バックステージライド(ダークライド) 1995年
池袋ナムコナンジャタウン; 蚊取り大作戦 /トレビバンジェーロ 1996年
台湾T&C; マジカルハンティング/コズミックウォーズ 1996年 三菱重工向け
(株)三隆製作所 ; 1996年入社 製品カタログ
コンテナスロープ /150t GE発電機荷降ろし天秤 /ボート吊り具


※←ホームページへ戻る